నింగ్బో రిచ్జ్ టెక్నాలజీ కో., లిమిటెడ్.
నింగ్బో రిచ్జ్ టెక్నాలజీ కో., లిమిటెడ్.
ఉత్పత్తులు
ఉత్పత్తులు
VBI-24 స్థిర రకం ఇన్సులేషన్ సిలిండర్ MV వాక్యూమ్ సర్క్యూట్ బ్రేకర్
  • VBI-24 స్థిర రకం ఇన్సులేషన్ సిలిండర్ MV వాక్యూమ్ సర్క్యూట్ బ్రేకర్VBI-24 స్థిర రకం ఇన్సులేషన్ సిలిండర్ MV వాక్యూమ్ సర్క్యూట్ బ్రేకర్
  • VBI-24 స్థిర రకం ఇన్సులేషన్ సిలిండర్ MV వాక్యూమ్ సర్క్యూట్ బ్రేకర్VBI-24 స్థిర రకం ఇన్సులేషన్ సిలిండర్ MV వాక్యూమ్ సర్క్యూట్ బ్రేకర్

VBI-24 స్థిర రకం ఇన్సులేషన్ సిలిండర్ MV వాక్యూమ్ సర్క్యూట్ బ్రేకర్

Model:VBI-24
VBI సిరీస్ ఇండోర్ వాక్యూమ్ సర్క్యూట్ బ్రేకర్ కొత్త తరం ఇంటెలిజెంట్ వాక్యూమ్ సర్క్యూట్ బ్రేకర్స్. అధిక-పనితీరు గల వాక్యూమ్ ఇంటర్‌రప్టర్ మరియు ఎగువ మరియు దిగువ అవుట్‌గోయింగ్ టెర్మినల్‌లతో సహా దాని ప్రత్యక్ష భాగాలు ఎపోక్సీ రెసిన్ పోస్ట్ టెర్మినల్స్‌లో కప్పబడి ఉంటాయి. ఈ రూపకల్పన వాక్యూమ్ ఇంటర్‌రప్టర్ యొక్క ఉపరితలంపై కాలుష్యాన్ని నివారించడానికి సహాయపడుతుంది, దాని ఇన్సులేషన్ లక్షణాలు, యాంత్రిక స్థిరత్వం మరియు దాని కార్యాచరణ జీవితకాలం విస్తరించడం. VBI-24 సైడ్ మౌంటెడ్ టైప్ వాక్యూమ్ సర్క్యూట్ బీకర్ యొక్క ఆపరేషన్ మెకానిజం స్టోరేజ్ ఎనర్జీకి వసంతకాలం ఉపయోగించబడుతుంది, దీనిని మాన్యువల్ లేదా ఎలక్ట్రికల్ రెండు మార్గాల ద్వారా నిర్వహించవచ్చు. లక్షణాలు GB1984-89, JB3855-96 ప్రకారం ఉంటాయి<10kv Indoor High Voltage Vacuum Circuit Breaker General Technical Specifications>, IEC56 ప్రమాణం యొక్క సంబంధిత నిబంధనలు. VBI-24 ఇండోర్ హై వోల్టేజ్ వాక్యూమ్ సర్క్యూట్ బ్రేకర్ మూడు-దశల AC 50Hz , 24KV ఇండోర్ పరికరం యొక్క రేటెడ్ వోల్టేజ్-పారిశ్రామిక మరియు మైనింగ్ సంస్థలు, విద్యుత్ ప్లాంట్లు మరియు సబ్‌స్టేషన్ల కోసం ఎలక్ట్రికల్ పరికరాల నియంత్రణ మరియు రక్షణ ప్రయోజనాల కోసం మరియు తరచూ ఈ ప్రదేశం యొక్క ఆపరేషన్ కోసం.

VBI-24 స్థిర రకం ఇన్సులేషన్ సిలిండర్ MV వాక్యూమ్ సర్క్యూట్ బ్రేకర్

   ఎంబెడెడ్ స్తంభాలతో ఇండోర్ హై వోల్టేజ్ వాక్యూమ్ సర్క్యూట్ బ్రేకర్ యొక్క VBI-24 సిరీస్ మూడు పదబంధం A.C.50 Hz ఇండోర్ పవర్ డిస్ట్రిబ్యూషన్ పరికరాలు 24 kV యొక్క రేటెడ్ వోల్టేజ్‌తో ఉన్నాయి. ఇది పరిశ్రమ మరియు మైనింగ్ ఎంటర్ప్రైజ్, పవర్ ప్లాంట్లు మరియు సబ్‌స్టేషన్ యొక్క క్షేత్రాలలో విద్యుత్ పరికరాలను రక్షించడానికి మరియు నియంత్రించడానికి ఉపయోగిస్తారు.

   స్ప్రింగ్ మెకానిజంతో ఈ రకమైన వాక్యూమ్ సర్క్యూట్ బ్రేకర్ యొక్క ప్రధాన కండక్టివ్ సర్క్యూట్ ఎంబెడెడ్ పోల్, ఇది ఇన్సులేషన్, యాంత్రిక మరియు బ్రేకింగ్ పనితీరు యొక్క విశ్వసనీయతను బాగా మెరుగుపరుస్తుంది మరియు స్వేచ్ఛా-నిర్వహణ మరియు పొడవైన యాంత్రిక మరియు విద్యుత్ జీవితాన్ని నిజంగా గ్రహిస్తుంది. ఈ రకం వాక్యూమ్ సర్క్యూట్ బ్రేకర్ జాతీయ ప్రమాణాలు మరియు IEC ప్రమాణాల యొక్క ఉపకరణాలకు అనుగుణంగా ఉంటుంది. సామర్ధ్యం M-E2-C2 యొక్క గ్రేడ్‌కు చేరుకుంటుంది.

   ఈ ఉత్పత్తి KYN28-24 (GZS1) వంటి అనేక రకాల స్విచ్ గేర్లకు ఉపయోగించబడుతుంది మరియు స్థిర సంస్థాపన చేయవచ్చు.

  VBI-24 ఇండోర్ హై వోల్టేజ్ వాక్యూమ్ సర్క్యూట్ బ్రేకర్ మూడు-దశల AC 50Hz , 24KV ఇండోర్ పరికరం యొక్క రేటెడ్ వోల్టేజ్-పారిశ్రామిక మరియు మైనింగ్ సంస్థలు, విద్యుత్ ప్లాంట్లు మరియు సబ్‌స్టేషన్ల కోసం ఎలక్ట్రికల్ పరికరాల నియంత్రణ మరియు రక్షణ ప్రయోజనాల కోసం మరియు తరచూ ఈ ప్రదేశం యొక్క ఆపరేషన్ కోసం.







ప్రాథమిక సమాచారం.


సాంకేతిక పారామితులు




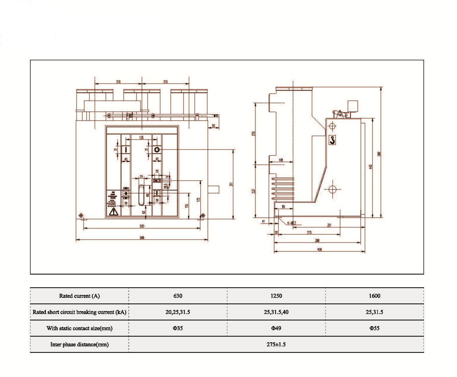
సాంకేతిక డ్రాయింగ్‌లు

తరచుగా అడిగే ప్రశ్నలు

ప్ర: మీ ఉత్పత్తుల ధరలు నాకు ఉన్నాయా?

జ: స్వాగతం. దయచేసి ఇక్కడ మాకు విచారణ పంపడానికి సంకోచించకండి. మేము మీకు 24 గంటల్లో ప్రత్యుత్తరం ఇస్తాము.


ప్ర: బల్క్ ఆర్డర్‌కు ముందు నేను ఒక నమూనాను పొందవచ్చా?

జ: అవును, నాణ్యతను పరీక్షించడానికి మరియు తనిఖీ చేయడానికి మేము నమూనా క్రమాన్ని స్వాగతిస్తున్నాము. మిక్స్డ్ నమూనాలు ఆమోదయోగ్యమైనవి.


ప్ర: మేము మా లోగో/ కంపెనీ పేరును ఉత్పత్తులపై ముద్రించగలమా?

జ: అవును, వాస్తవానికి, మేము OEM ను అంగీకరిస్తాము, అప్పుడు మీరు మాకు బ్రాండ్ అధికారాన్ని అందించాలి


ప్ర: మీరు ఉత్పత్తి అనుకూలీకరణను అంగీకరిస్తున్నారా?

జ: అవును, వాస్తవానికి, దయచేసి నిర్దిష్ట డ్రాయింగ్‌లు లేదా పారామితులను అందించండి, మూల్యాంకనం తర్వాత మేము మిమ్మల్ని కోట్ చేస్తాము


ప్ర: ప్రధాన సమయం ఏమిటి?

జ: ప్రధాన సమయం ఆదేశించిన పరిమాణాలపై ఆధారపడి ఉంటుంది, సాధారణంగా చెల్లింపు పొందిన 7-20 రోజులలోపు.


ప్ర: మీ వాణిజ్య నిబంధనలు ఏమిటి?

జ: మేము EXW, FOB, CIF, FCA, మొదలైన వాటిని అంగీకరిస్తాము.


ప్ర: మీ చెల్లింపు పద్ధతి ఏమిటి?  

A


ప్ర: మీరు తుది ఉత్పత్తులను పరిశీలిస్తున్నారా?

జ: అవును, ఉత్పత్తి మరియు పూర్తి చేసిన ఉత్పత్తుల యొక్క ప్రతి దశ షిప్పింగ్ ముందు క్యూసి విభాగం తనిఖీ చేయబడుతుంది. మరియు మేము రవాణాకు ముందు మీ సూచన కోసం వస్తువుల తనిఖీ నివేదికలను అందిస్తాము


ప్ర: అమ్మకాల తర్వాత నాణ్యత సమస్యలను ఎలా పరిష్కరించాలి?

జ: నాణ్యమైన సమస్యల ఫోటోలను తీయండి మరియు మా తనిఖీ మరియు ధృవీకరించడానికి మాకు పంపండి, మేము మీ కోసం 3 రోజుల్లో సంతృప్తికరమైన పరిష్కారం చేస్తాము.




ఫ్యాక్టరీ


సర్టిఫికేట్




హాట్ ట్యాగ్‌లు: VBI-24 స్థిర రకం ఇన్సులేషన్ సిలిండర్ MV వాక్యూమ్ సర్క్యూట్ బ్రేకర్, చైనా, తయారీదారు, సరఫరాదారు, ఫ్యాక్టరీ, తక్కువ ధర, నాణ్యత, తాజా అమ్మకం, అధునాతనమైనది
విచారణ పంపండి
సంప్రదింపు సమాచారం
తక్కువ వోల్టేజ్ స్విచ్ గేర్, అధిక వోల్టేజ్ ఇన్సులేటర్లు, అధిక వోల్టేజ్ ఎర్తింగ్ స్విచ్ లేదా ధరల జాబితా గురించి విచారణల కోసం, దయచేసి మీ ఇమెయిల్‌ను మాకు పంపండి మరియు మేము 24 గంటల్లోగా సన్నిహితంగా ఉంటాము.
X
మీకు మెరుగైన బ్రౌజింగ్ అనుభవాన్ని అందించడానికి, సైట్ ట్రాఫిక్‌ను విశ్లేషించడానికి మరియు కంటెంట్‌ను వ్యక్తిగతీకరించడానికి మేము కుక్కీలను ఉపయోగిస్తాము. ఈ సైట్‌ని ఉపయోగించడం ద్వారా, మీరు మా కుక్కీల వినియోగానికి అంగీకరిస్తున్నారు. గోప్యతా విధానం
తిరస్కరించు అంగీకరించు